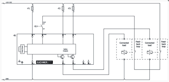
EUCHNER安全開關CES-AH系列介紹:
特征:
· 帶集成評估電子裝置的安全開關
· 可以直接切換3.5 A的負載電流
· 兩個安全輸出(半導體輸出)
· 根據EN ISO 13849-1的類別3 / PL d
· 帶插頭M23
· 接近方向A(不可調)
· 統一




Unicode評估:
每個執行器都是獨特的 該開關僅檢測示教的執行器。可以教授其他執行器。
僅檢測到教導的最后一個執行器。


類別符合EN ISO 13849-1:
由于兩個冗余設計的半導體輸出(安全輸出),內部監控適用于:
· 根據EN ISO 13849-1的類別3 / PL d
每條安全路徑都是獨立安全的。


EUCHNER安全開關CES-AH系列的參數:
|
外形尺寸 |
40 x 40 x 171 |
|
筑屋材料 |
塑料,PBT |
|
重量/凈 |
0,35 公斤 |
|
環境溫度/在I(LA)/ I(LB)> 3A/在I(LA)/ I(LB)<3A |
-20 ... 55 °C/-20 ... 70 °C |
|
防護等級 |
IP67 |
|
對振動的抵抗力 |
在acc。符合EN IEC 60947-5-2 |
|
安裝距離/2個開關或執行器之間 |
最小80 毫米 |
|
安裝位置 |
任何 |
|
擰緊扭矩/固定螺絲 |
最大1 Nm |
|
準備延遲 |
最大3 秒 |
|
開關頻率 |
最大1 Hz |
|
停留時間/在故障狀態 |
min.0,5 s /5 秒 |
|
連接 |
M23插頭,9針 |
EUCHNER安全開關CES-AH系列相關產品圖片:
